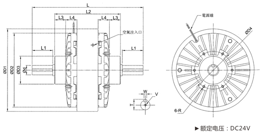
突出轴型PC磁粉式离合器

更新:2016/8/17 19:46:51      点击:
  • 品牌:   krd
  • 型号:   PC
产品介绍
更多产品